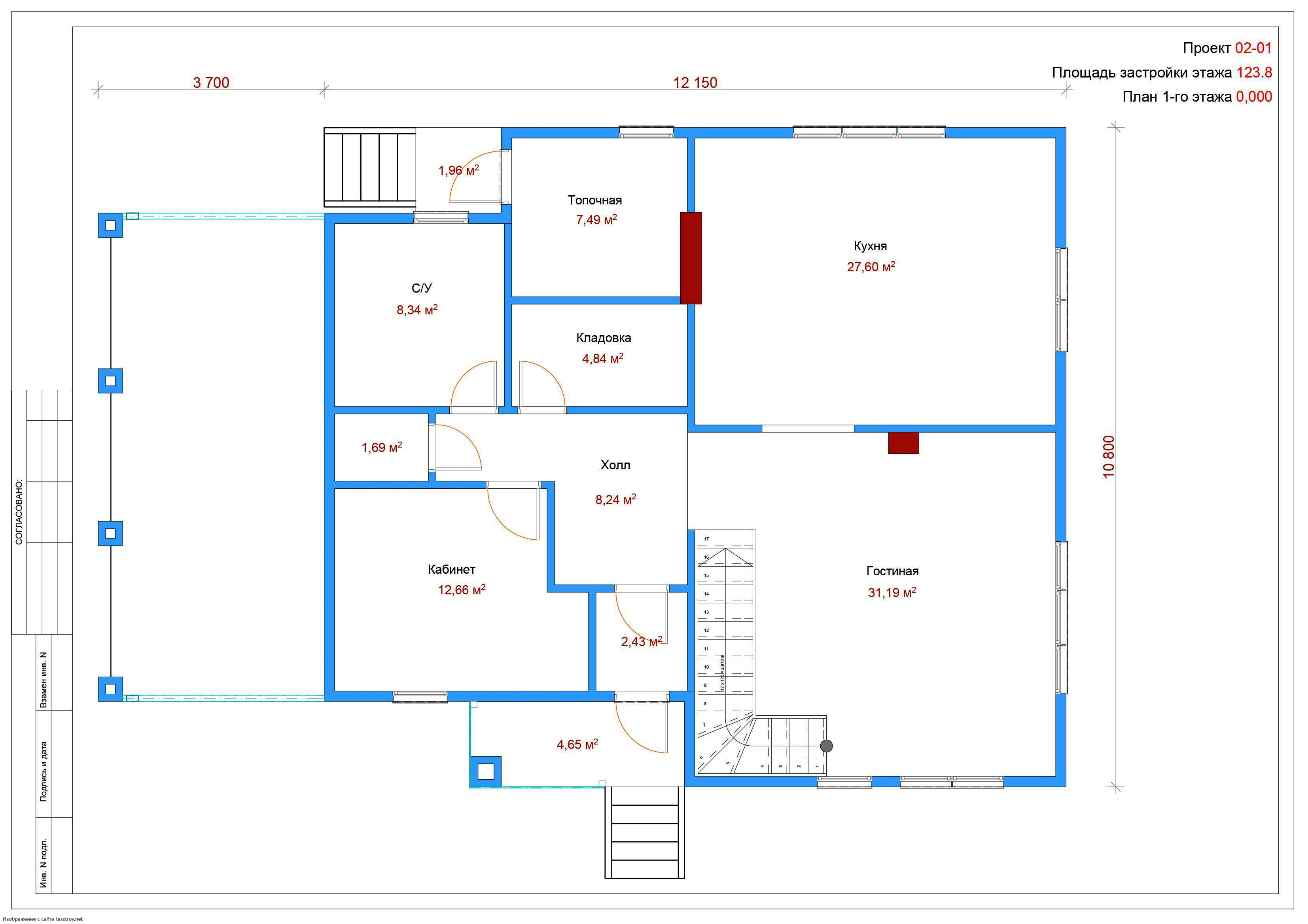
Проект двухэтажного дома К02-01
Площадь
240 м 2
Размер дома:
10x12
Этажей:
2
Спален:
3
Санузел:
0
Гараж:
Нет
Баня:
Нет
Терраса:
Нет
Панорамные окна:
Нет
Мастер-спальня:
Нет
О проекте
Проект, где продумана каждая деталь для вашего комфорта.240 м² позволяют создать как уединённые, так и общие зоны. Крыша из битумная черепица подчёркивает современный облик дома. Дом спроектирован в духе дома в стиле русский. Проект включает 3 спальни — удобно для семьи.Характеристики
- Общая площадь: 240 м2
- Количество этажей: 2
- Стиль, разновидность: Дома в стиле Русский
- Форма: Прямоугольные дома
- Тип кровли: Дома с мансардной крышей
- Отделка: Без отделки
- Размер: 10x12
Отправьте свои контакты и мы расчитаем вам смету
Скорее всего вам подойдут следующие проекты домов:
Проект двухэтажного дома Дом id-113393
Семья с двумя детьми
Дом подходит для:
Дом подходит для:
Проект двухэтажного дома Дом id-124607
Для большой семьи
Дом подходит для:
Дом подходит для:
Проект двухэтажного дома Дом id-111643
Семья с двумя детьми
Дом подходит для:
Дом подходит для:


















